Instalación de Suelo Radiante
Empresa Especializada en Calefacción por Suelo Radiante
¿Estás pensando en instalar suelo radiante y buscas un profesional de confianza que te garantice confort, eficiencia y un resultado impecable? Has llegado al lugar adecuado.
Estás en: ACS-CLIMA > Calefacción > Instalación de Suelo Radiante
Especialistas en Suelo Radiante
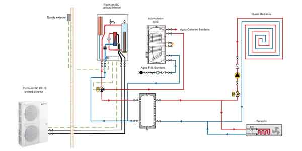
Somos una empresa especializada en instalación de suelo radiante. Trabajamos tanto en viviendas particulares como en locales comerciales y obra nueva o reformas, ofreciendo soluciones a medida en calefacción por suelo radiante y suelo radiante refrescante.
Nuestro objetivo es claro: que disfrutes de una temperatura perfecta durante todo el año, con el máximo ahorro energético y la tranquilidad de estar en manos de auténticos profesionales.
Instalamos sistemas de suelo radiante, adaptándonos a las necesidades específicas de cada vivienda y cliente.
Si estás buscando:
- “suelo radiante”
- “instalador suelo radiante cerca de mí”
- “empresa de suelo radiante”
- “instalación suelo radiante”
- “calefacción suelo radiante”
Te ofrecemos un servicio integral que incluye asesoramiento, diseño del sistema, instalación completa y puesta en marcha.
Trabajamos en todo el territorio nacional, garantizando un servicio cercano, rápido y eficaz. Conocemos el clima de la zona y sabemos cómo diseñar sistemas eficientes tanto para inviernos fríos como para veranos calurosos.
¿Qué es el Suelo Radiante y Por Qué Cada Vez Más Personas lo Instalan?
El suelo radiante es un sistema de calefacción que funciona mediante una red de tuberías instaladas bajo el pavimento, por donde circula agua caliente (o fría en el caso de suelo radiante refrescante). Este sistema distribuye el calor de forma uniforme por toda la superficie, logrando una sensación térmica muy superior a la de los radiadores tradicionales.
Ventajas del Suelo Radiante
- ✅ Calor uniforme en toda la vivienda
- ✅ Mayor eficiencia energética
- ✅ Ahorro en la factura de calefacción
- ✅ Más espacio libre (sin radiadores)
- ✅ Compatible con aerotermia
- ✅ Sistema invisible y silencioso
- ✅ Posibilidad de suelo radiante refrescante para verano
En una ciudad como la tuya, donde las temperaturas pueden ser extremas, contar con un sistema de calefacción por suelo radiante supone una mejora real en confort y calidad de vida.
Empresa Instaladora de Suelo Radiante
¡Será un placer ayudarte!
Instalación de Suelo Radiante con Aerotermia
Una de las opciones más demandadas actualmente es el suelo radiante con aerotermia. Esta combinación permite aprovechar una fuente de energía renovable y altamente eficiente para climatizar la vivienda.
¿Por Qué Elegir Suelo Radiante con Aerotermia?
- Reduce el consumo energético.
- Disminuye las emisiones.
- Permite calefacción en invierno y refrigeración en verano.
- Incrementa el valor de la vivienda.
- Ofrece un gran rendimiento a baja temperatura.
Si estás buscando “suelo radiante aerotermia”, te asesoramos de forma personalizada para diseñar un sistema adaptado a tu vivienda, superficie, aislamiento y necesidades reales.
No todas las casas requieren la misma solución. Por eso realizamos un estudio previo detallado antes de cada instalación.


Suelo Radiante Refrescante: Confort También en Verano
En tu ciudad, el verano es intenso. El suelo radiante refrescante es una alternativa cada vez más popular para climatizar la vivienda de forma eficiente y silenciosa.
¿Cómo Funciona el Suelo Radiante Refrescante?
En lugar de agua caliente, circula agua fría por el circuito instalado bajo el suelo, absorbiendo el calor del ambiente y generando una sensación térmica muy agradable.
Ventajas principales:
- Refrigeración uniforme sin corrientes de aire.
- Mayor confort que el aire acondicionado tradicional.
- Sin ruidos.
- Menor consumo energético.
- Ambiente más saludable (sin movimiento de polvo).
Es ideal para quienes buscan una solución integral de climatización sin depender de sistemas convencionales.
¿Cuánto Cuesta el Suelo Radiante?
Una de las búsquedas más habituales es: “suelo radiante precio”.
El precio del suelo radiante depende de varios factores:
- Superficie total a instalar.
- Tipo de sistema (solo calefacción o también refrescante).
- Integración con aerotermia u otras fuentes.
- Tipo de pavimento.
- Si es obra nueva o reforma.
- Nivel de aislamiento de la vivienda.
Por eso, más que darte cifras genéricas, preferimos ofrecerte un presupuesto personalizado y transparente. Analizamos tu caso concreto y te explicamos claramente la inversión y el ahorro estimado a medio y largo plazo.
En la mayoría de los casos, el ahorro energético compensa la inversión inicial, especialmente si se combina con aerotermia.
Empresa Instaladora de Suelo Radiante
¡Será un placer ayudarte!

Nuestra Empresa de Suelo Radiante
Elegir una empresa de suelo radiante no debería basarse solo en el precio. Es una instalación técnica que quedará oculta bajo el pavimento durante décadas.
¿Qué Nos Diferencia?
1. Asesoramiento Personalizado
Cada proyecto es diferente. Estudiamos tu vivienda, tus hábitos y tus expectativas antes de proponerte una solución.
2. Instaladores Profesionales y Especializados
Contamos con técnicos especializados en instalaciones de suelo radiante, formados en los sistemas más actuales.
3. Materiales de Alta Calidad
Trabajamos con componentes y sistemas que garantizan durabilidad, rendimiento y seguridad.
4. Rapidez y Cumplimiento de Plazos
Sabemos que una obra afecta a tu día a día. Organizamos cada fase para minimizar molestias y cumplir los tiempos acordados.
5. Transparencia Total
Presupuestos claros, sin sorpresas. Explicamos cada partida para que sepas exactamente qué estás contratando.
6. Servicio en Toda la Provincia
Nos desplazamos a todas las localidades de la Provincia, ofreciendo un servicio cercano y ágil.
Instalador de Suelo Radiante Cerca de Ti
Si has buscado “instalador suelo radiante cerca de mí”, probablemente estés comparando opciones y quieras una empresa seria, accesible y con experiencia demostrable.
Nuestro compromiso es sencillo:
- Atención rápida.
- Estudio técnico profesional.
- Instalación cuidada al detalle.
- Seguimiento y soporte tras la puesta en marcha.
No somos intermediarios. Somos profesionales del sector de instalaciones térmicas, con experiencia real en proyectos de suelo radiante.


¿Es el Suelo Radiante Adecuado Para Tu Vivienda?
Muchos clientes nos preguntan si su casa es apta para este sistema.
La respuesta suele ser sí, pero depende de factores como:
- Tipo de construcción.
- Altura disponible para recrecido.
- Aislamiento térmico.
- Tipo de reforma.
- Fuente energética disponible.
En obra nueva, el suelo radiante es una de las mejores decisiones que puedes tomar. En reformas, también es viable en muchos casos, especialmente con sistemas de bajo espesor.
Lo mejor es que nos cuentes tu proyecto y analicemos tu caso sin compromiso.
Empresa Instaladora de Suelo Radiante
¡Será un placer ayudarte!
Proceso de Instalación de Suelo Radiante.
Queremos que sepas exactamente cómo trabajamos.
1. Estudio Técnico
Analizamos la vivienda y realizamos cálculos térmicos para garantizar el rendimiento adecuado.
2. Diseño del Sistema
Planificamos la distribución de circuitos y colectores para lograr una climatización uniforme.
3. Instalación Profesional
Colocación de aislamiento, tuberías y conexión al sistema de generación de calor o frío.
4. Pruebas y Puesta en Marcha
Comprobamos presiones, rendimiento y correcto funcionamiento antes de cerrar la instalación.
5. Explicación al Cliente
Te enseñamos cómo funciona tu nuevo sistema y resolvemos todas tus dudas.


Calefacción por Suelo Radiante: Confort Real.
La calefacción por suelo radiante no solo calienta la vivienda, transforma la forma en la que se siente el espacio.
Imagina:
- Caminar descalzo en invierno sin notar frío.
- Una temperatura homogénea en todas las estancias.
- Sin radiadores ocupando paredes.
- Sin corrientes de aire.
- Es un sistema eficiente, silencioso y saludable.
Y en una ciudad como la tuya, donde las viviendas necesitan tanto calefacción como refrigeración, el suelo radiante refrescante se convierte en una solución integral.
Confía en Profesionales de Instalaciones de Suelo Radiante.
Instalar suelo radiante es una inversión a largo plazo. Por eso es fundamental contar con profesionales especializados que garanticen una ejecución impecable.
Si estás valorando:
- Instalar suelo radiante en tu vivienda.
- Integrar suelo radiante con aerotermia.
- Sustituir un sistema de calefacción tradicional.
- Mejorar la eficiencia energética de tu hogar.
- Revalorizar tu inmueble.
Estamos aquí para ayudarte.

Solicita Presupuesto para Suelo Radiante
¿Quieres saber cuánto costaría instalar suelo radiante en tu vivienda?
Contacta con nosotros y solicita tu estudio personalizado sin compromiso. Te asesoraremos con honestidad y claridad para que tomes la mejor decisión.
La comodidad empieza bajo tus pies.
Haz que tu hogar sea más eficiente, confortable y moderno con un sistema de suelo radiante instalado por profesionales.
Estamos listos para ayudarte.
Empresa Instaladora de Suelo Radiante
¡Será un placer ayudarte!
Zonas donde realizamos Instalaciones de Suelo Radiante
Además de en tu ciudad, realizamos Instalaciones de Suelo Radiante en todo el territorio nacional.
Actuamos en todos los barrios y zonas de tu ciudad, ciudad donde han confiado en nosotros y ya hemos realizado numerosas Instalaciones de Suelo Radiante.
Nos sentimos muy orgullosos de contar con los mejores Instaladores especialistas en Suelo Radiante de tu ciudad homologados, y no porque lo digamos nosotros, sino porque lo dicen nuestros clientes.
Las provincias donde realizamos Instalaciones de Suelo Radiante son: Álava, Albacete, Alicante, Ávila, Burgos, Cádiz, Cantabria, Castellón, Ciudad Real, Córdoba, La Coruña, Barcelona, Girona, Guipúzcoa, Guadalajara, Lleida, Madrid, Málaga, Mallorca, Murcia, Navarra, La Rioja, Segovia, Sevilla, Tarragona, Toledo, Valencia, Valladolid, Vizcaya, Zaragoza y todos sus municipios.
Instaladores Profesionales en Instalación de Suelo Radiante autorizados por industria
Para que un Instalador de Suelo Radiante pueda decir que es un auténtico profesional, este debe estar autorizado debidamente por industria. Por ello cuando uno de nuestros Instaladores se desplace a tu hogar, o local comercial, este irá debidamente acreditado y autorizado para realizar el trabajo. Además lo hará acompañado de las herramientas y repuestos necesarios en cada caso, y preparado por si surgen complicaciones.

Empresa Instaladora de Suelo Radiante
¡Será un placer ayudarte!
Otras instalaciones y reparaciones de Climatización.
Como expertos en Climatización, además de Instalaciones de Suelo Radiante, también podemos ayudarte con otros tipos de instalaciones y reparaciones de climatización.
Tenemos profesionales expertos en todo tipo de instalaciones de climatización, con una experiencia más que demostrada y siempre a tu disposición.
Confía tu instalación a profesionales con experiencia, no dejes tu instalación de Suelo Radiante o Climatización de manos de la suerte, ve a lo seguro y ahórrate disgustos, tiempo y dinero.
- Reparación e Instalación de Aerotermia
- Reparación e Instalación de Agua Caliente Sanitaria
- Reparación e Instalación de Aire Acondicionado
- Reparación e Instalación de Calefacción
- Reparación e Instalación de Conductos
- Reparación e Instalación de Piscinas Climatizadas
- Reparación e Instalación de Radiadores
- Reparación e Instalación de Suelo Radiante
Razones para confiar en ACS-CLIMA
Más de 30 años dedicados a la Instalación de Suelo Radiante
Nuestro perfil de cliente es muy exigente, por lo que queremos ofrecerte lo mejor. Analizamos cada instalación de Suelo Radiante como única y te ofrecemos un servicio individualizado. Algunas palabras por las que luchamos a diario para que se nos conozca son, profesionalidad, calidad, seriedad y buen precio.
Tecnología puntera
Eficiencia Energética
Mejora e innovación continua
Servicio Postventa
Testimonios de clientes
“Instalamos suelo radiante con aerotermia en nuestra vivienda durante la reforma integral y ha sido la mejor decisión que hemos tomado. El confort es increíble, el calor se nota uniforme en todas las habitaciones y la casa mantiene muy bien la temperatura. El equipo fue muy profesional, cumplieron los plazos y nos explicaron todo con claridad. Si buscas una empresa de suelo radiante en seria y cercana, los recomiendo totalmente.”
“Estuve comparando varias empresas porque quería asegurarme de elegir un buen instalador de suelo radiante cerca de mí. Desde el primer momento me transmitieron confianza. Me hicieron un estudio detallado y me explicaron las diferencias entre radiadores y calefacción por suelo radiante. La instalación fue limpia y organizada. Ahora el consumo es mucho más eficiente y la sensación de confort no tiene nada que ver con el sistema anterior.”
“Teníamos muchas dudas sobre el precio del suelo radiante y si realmente merecía la pena. Nos asesoraron sin presionarnos y nos ofrecieron una solución adaptada a nuestro presupuesto. Optamos por suelo radiante refrescante y la casa se mantiene fresca en verano sin necesidad de aire acondicionado constante. El trato fue cercano y profesional en todo momento. Sin duda volveríamos a confiar en ellos.”
Contacta con nosotros
Formulario de Contacto
Información básica
Información básica sobre protección de datos:
- Responsable: ACS-CLIMA.COM
- Finalidad: Poder responder a tu consulta.
- Legitimación: Consentimiento del interesado
- Destinatarios: No se cederán datos a terceros, salvo obligación legal. Los datos quedarán almacenados en los servidores de Host-Fusion, situados en la Unión Europea (política de privacidad de Host-Fusion).
- Derechos: Tienes derecho a acceder, rectificar y suprimir tus datos, derechos que puedes ejercer enviando un correo electrónico a info@acs-clima.com. Puedes consultar la información completa y detallada sobre privacidad en mi política de privacidad.

Rellena el formulario y te llamaremos en breve o llámanos tú directamente

Comparte con ese amigo tuyo que necesita una Empresa Instaladora de Suelo Radiante.